您好,歡迎光臨帝國科技!
產品分類
PRODUCT
PRODUCT
- 國產晶振
- 聲表面濾波器
- 石英晶體
- 石英晶振
- 貼片晶振
- 陶瓷晶振
- 陶瓷濾波器
- 陶瓷霧化片
- 進口晶振
- MERCURY晶振
- Fujicom晶振
- 日本大真空晶振
- 愛普生晶振
- 西鐵城晶振
- 精工晶振
- 村田陶瓷晶振
- 日本京瓷晶振
- 日本進口NDK晶體
- 大河晶振
- TXC晶振
- 亞陶晶振
- 臺灣泰藝晶體
- 臺灣鴻星晶體
- 美國CTS晶體
- 微孔霧化片
- 加高晶振
- 希華石英晶振
- AKER晶振
- NAKA晶振
- SMI晶振
- NJR晶振
- NKG晶振
- Sunny晶振
- 歐美晶振
- Abracon晶振
- ECS晶振
- Golledge晶振
- IDT晶振
- Jauch晶振
- Pletronics晶振
- Raltron晶振
- SiTime晶振
- Statek晶振
- Greenray晶振
- 康納溫菲爾德晶振
- Ecliptek晶振
- Rakon晶振
- Vectron晶振
- 微晶晶振
- AEK晶振
- AEL晶振
- Cardinal晶振
- Crystek晶振
- Euroquartz晶振
- FOX晶振
- Frequency晶振
- GEYER晶振
- KVG晶振
- ILSI晶振
- MMDCOMP晶振
- MtronPTI晶振
- QANTEK晶振
- QuartzCom晶振
- Quarztechnik晶振
- Suntsu晶振
- Transko晶振
- Wi2Wi晶振
- ACT晶振
- MTI晶振
- Lihom晶振
- Rubyquartz晶振
- Oscilent晶振
- SHINSUNG晶振
- ITTI晶振
- PDI晶振
- ARGO晶振
- IQD晶振
- Microchip晶振
- Silicon晶振
- Fortiming晶振
- CORE晶振
- NIPPON晶振
- NICKC晶振
- QVS晶振
- Bomar晶振
- Bliley晶振
- GED晶振
- FILTRONETICS晶振
- STD晶振
- Q-Tech晶振
- Anderson晶振
- Wenzel晶振
- NEL晶振
- EM晶振
- PETERMANN晶振
- FCD-Tech晶振
- HEC晶振
- FMI晶振
- Macrobizes晶振
- AXTAL晶振
- DEI晶振
帝國博客
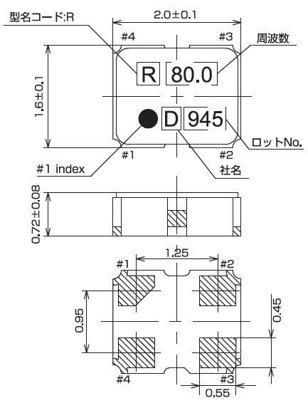
更多>>- 規格型號:66281391
- 頻率:0.4~80MHZ
- 尺寸:2.0*1.6*0.7mm詳細內容請瀏覽PDF文檔
- 產品描述:2016mm體積的晶振,是目前有源晶振中體積最小的一款,該體積產品最適合于GPS,以及衛星通訊系統,智能電話等多用途的高穩定的頻率溫度特性晶振.為對應低電源電壓的產品.
DSO211AR晶振,普通有源晶振,進口KDS貼片晶振
.jpg)
DSO211AR晶振,普通有源晶振,進口KDS貼片晶振,2016mm晶振是目前有源晶振中體積最小的一款,該體積產品最適合于GPS,以及衛星通訊系統,智能電話等多用途的高穩定的頻率溫度特性晶振.為對應低電源電壓的產品.

| 規格參數 | DSO211AR |
| 頻率范圍 | 0.4~80.0MHZ |
| 電源電壓 | 1.8~3.3V |
| 負載電容 | 15 pF |
| 溫度特征 |
±1.0×10-6 max /-30~+85℃ ±1.5×10-6 max /-30~+85(Option) |
| 消費電流 |
+1.5mA max (f≤26MHZ) +2.0mA max (f>26MHZ) |
| 負荷變動特性 | ±0.2×10-6 max (10KΩ//10pF±10%) |
| 電源電壓特性 | ±0.2×10-6 max (Vcc±5%) |
| 老化率 | ±1.0×10-6 max /year |
| 起動時間 | 1.0ms max |


大部份的石英晶體產品是用于電子線路上的參考頻率基準或頻率控制組件, 所以, 頻率與工作環境溫度的特性是一個很重要的參數. 事實上, 良好的頻率與溫度(frequeny versus temperature)特性也是選用石英做為頻率組件的主要因素之一. 經由適當的定義及設計, 石英晶體組件可以很容易的就滿足到以百萬分之一 (parts per million, ppm) 單位等級的頻率誤差范圍. 若以離散電路方式將LCR零件組成高頻振蕩線路, 雖然也可以在小量生產規模達到所需要的參考頻率信號誤差在ppm或sub-ppm等級要求, 可是這種方式無法滿足產業要達到的量產規模. 石英組件的頻率對溫度特性更是離散振蕩線路無法簡易達成的. 在(圖) 中提供了數種不同的石英晶體切割角度的頻率對溫度特性曲線.


.jpg)

大真空提供有遠見的解決方案通過開發和生產各種水晶設備,滿足多元化的市場需求.大真空也開發了一套系統,可以使來自不同部門的專家跨職能協作和合作,所以我們可以提供高質量的石英設備及時和有效的方式.我們公司的可靠性是由我們的員工能力迅速做出反應,個別員工產生的協同效應.KDS品牌創建和支持的人.信任不斷由個別員工通過日常任務會導致更大的依賴我們的客戶.

在所有領域的業務活動,從開發,生產和銷售水晶的應用產品,大真空集團業務策略促進普遍信任的環境管理活動.
大真空集團將:
1.主動在能源和資源節約通過適當地控制物質與環境的影響和減少它們的使用.
2.有效利用資源,防止環境污染的減少和妥善處理廢物,包括重用和回收.
3.防止全球變暖,開展節能活動,減少二氧化碳排放.
4.避免采購或使用礦物質,直接或間接金融或受益武裝組織在剛果民主共和國或鄰近的國家.
5.遵守有關環境的法律、標準、協議和任何其他公司訂閱需求.
6.基于這個環境政策制定環境目標和目標,同時促進這些活動還經常審查環境管理體系的持續改進.
7. 教育所有員工和那些為我們組工作在我們的環境政策和提高環境保護的意識教育和宣傳活動.
8.確保信息在我們的環境保護活動是向公眾開放.

深圳市帝國科技有限公司SHENZHEN DIGUO TECHONLOGY CO.,LTD
聯系人:譚蘭艾 手 機:86-13826527865
電 話:86-0755-27881119 QQ:921977998
E-mail:dgkjly@163.com
網 址:m.guazigou.com
地 址:中國廣東省深圳市寶安區西鄉大道新湖路







業務經理